FA201
FIBOS
50, 100,200,500, 1000N
≤0,5% F.S.
1.0±20%mV/V
±0.05mV/V
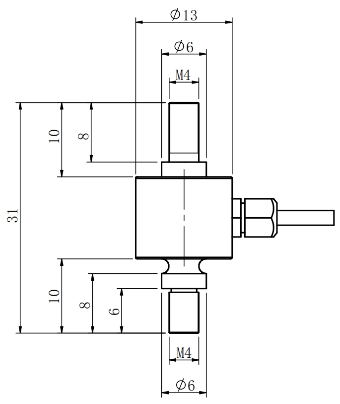
φ13 мм; H = 31 мм
нержавеющая сталь
| штат: | |
|---|---|
Встроенный тензодатчик FA201 .pdfПараметры | Технические Характеристики |
Номинальный Диапазон Измерения | 50,100,200,500,1000N |
Чувствительность на Выходе | 1.0±30%mV/V |
Выходной Сигнал при Нулевой Нагрузке | ±0.05mV/V |
Ползучесть | ≤0.5%F.S. |
Нелинейность | ≤0.5%F.S. |
Гистерезис | ≤0.5%F.S. |
Повторяемость | ≤0.1%F.S. |
Входное Сопротивление | 800~1000Ω |
Выходное Сопротивление | 800~1000Ω |
Температурный Дрейф Чувствительности | 0.1%F.S./10℃ |
Температурный Дрейф нуля | 0.1%F.S./10℃ |
Сопротивление Изоляции | ≥5000MΩ/100V(DC) |
Напряжение Питания | 5~12V |
Максимальное Напряжение Питания | 15V |
Диапазон Температурной Компенсации | -10~60℃ |
Диапазон Рабочих Температур | -20~80℃ |
Безопасная Перегрузка | 150%F.S. |
Предельная Перегрузка | 200%F.S. |
Размер кабеля | φ2x3000mm |
Материал | Нержавеющая сталь |

Мы предоставляем файлы 3D-моделей наших изделий. Поддержка |
|
|
|
| Hаправление Нагрyзки | Установка | схема электропроводки |
| 01 | В паре с аналоговым усилителем | Выход 0-10V / 4-20mA / 0±5V / 0±10V |

| 02 | В паре с цифровым усилителем | Выход RS485 / Выход RS232 |

| 03 | В паре с умным прибором | Питание220В/24В Выход 4-20мА RS485 RS232 |


В отрасли потребительской электроники малогабаритные датчики силы находят широкое применение в процессах контроля и управления при сборке и производстве. Для контроля значений давления и управления процессами сборки различных устройств и кнопок требуется использование различных типов компактных силомеров.
Проверка герметичности, помимо использования методов измерения давления и вакуумного давления, также может осуществляться с помощью малогабаритные датчики силы, который определяет величину давления в закрытой полости путем измерения силового воздействия.
В процессе контроля качества, проверки надежности и тестирования на долговечность автомобильной электронной продукции используются тензодатчики, датчики растяжения-сжатия и крутящего момента. В основном они применяются для измерения усилия нажатия кнопок, проверки усилия вставки/извлечения разъемов, а также тестирования надежности регуляторов. Как правило, в этих целях используются малогабаритные датчики силы, датчики растяжения-сжатия и датчики крутящего момента.


Убедитесь в наличии необходимых приборов и устройств, включая источник питания с регулировкой постоянного тока, тензометрические экспериментальные шаблоны, лотки, грузы и мультиметры.
(1) Подключите одноплечий испытательный контур в соответствии с электрической схемой и проверьте правильность подключения.
(2) Включите регулируемый источник питания и установите соответствующее значение напряжения.
(3) Когда нагрузкой является только диск с грузом, отрегулируйте потенциометр так, чтобы схема была сбалансирована, т.е. выходной сигнал был равен нулю.
(4) Последовательно добавляйте грузы в лоток для грузов, тестируйте и записывайте выходные значения напряжения при различных нагрузках.
(1) Подключите тестовую цепь полумоста в соответствии с электрической схемой и проверьте правильность подключения.
(2) Снова включите регулируемый источник питания и отрегулируйте напряжение.
(3) Если грузом является диск с грузом, отрегулируйте цепь для балансировки.
(4) Добавьте грузы, проверьте и запишите значения выходного напряжения.
(1) Подключите тестовую цепь полного моста и проверьте проводку.
(2) Включите регулируемый источник питания и отрегулируйте напряжение.
(3) Нагрузка такова, что цепь уравновешивается, если грузом является диск с грузом.
(4) Добавьте веса и запишите выходное значение напряжения.
1. Убедившись в правильности подключения, включите питание динамического тензодатчика и выполните прогрев .
2. Определите мостовую коробку, подключенную к тензометрическому каналу, выход канала будет подключен к цифровому мультиметру, выберите измерение передачи постоянного тока.
3. Выполните операцию обнуления, чтобы мост был сбалансирован, а показания мультиметра были близки к нулю.
4. Выполните калибровку и запишите выходное напряжение мультиметра при заданном стандартном сигнале.
5. приложите к испытуемому объекту различные грузы, считайте и запишите выходное значение напряжения соответственно.
6. рассчитайте такие параметры, как чувствительность системы и нелинейная погрешность, на основе данных испытаний.
В ходе эксперимента записывались все данные, включая выходные значения напряжения, чувствительность системы и нелинейную погрешность при различных нагрузках. Проанализируйте полученные данные, чтобы оценить производительность датчика.
Приведите в порядок экспериментальное оборудование, выключите питание и заполните отчет о лабораторной работе.


Часто задаваемые вопросы и ответы
В: Как узнать цену? О: Пожалуйста, отправьте нам свой запрос. Вы можете нажать на значок “Связаться с нами” в правой части страницы или оставить заявку в форме обратной связи внизу этой страницы. В: Какую информацию необходимо предоставить для оформления заказа? О: Нам потребуется следующая информация: номинальная нагрузка (или мощность), сфера применения и другие необходимые технические параметры. В: Предоставляете ли вы скидки? О: Да, мы предлагаем скидки на оптовые заказы. Если вы планируете приобрести большую партию, отправьте нам запрос, и мы обсудим индивидуальные условия. В: Могу ли я получить образцы продукции? О: Да, при размещении последующих заказов мы можем предоставить образцы, в том числе и бесплатные. В: Как обеспечивается качество продукции? О: Наша продукция сертифицирована в соответствии со стандартами CE, RoHS и имеет взрывозащищенное исполнение. Мы являемся надежным производителем и гарантируем высокое качество нашей продукции. В: Когда начинается производство после оплаты заказа? О: Производство начинается сразу после получения оплаты. В: Возможна ли ускоренная обработка заказа? О: При наличии материалов на складе и в случае срочной необходимости мы готовы обсудить возможность ускорения обработки заказа и постараемся сделать все возможное для удовлетворения ваших потребностей. |