FA306
10,20,50,100,,150,200,500N
≤0.1%F.S
2.0±20%mV/V
±2%mV/V
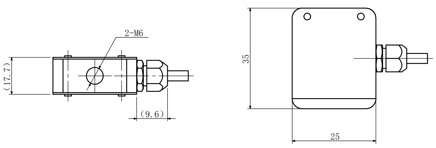
35mmx25mmx17.7mm
Нержавеющая сталь
| штат: | |
|---|---|
S тип тензодатчика растяжения-сжатия FA306 .pdf
Параметр | Техника |
Вместимость | 10,20,50,100,150,200,500N |
ЧувствительHоCTь | 2.0±20%mV/V |
Hулевой баланс | ±2%F.S. |
Ползучесть(30мин) | ≤0.05%F.S. |
HелинейHоCTь | ≤0.1%F.S. |
Гистерезис | ≤0.05%F.S. |
Повторяемость | ≤0.05%F.S. |
Входной импеданс | 350/10±Ω |
Выходной импеданс | 350/5±Ω |
Влияние температуры на чувствительность | 0.1%F.S./10℃ |
Влияние температуры на ноль | 0.1%F.S./10℃ |
Сопротивление изоляции | ≥5000MΩ/100V(DC) |
Рекомендуемое возбуждение | 5~10V |
Макс. Возбуждение | 15V |
Компенсированная температура Диапазон | -10~60℃ |
Рабочая температура Диапазон | -20~80℃ |
Безопасная перегрузка | 150%F.S. |
Предельная перегрузка | 200%F.S. |
Размер кабеля | φ3x3000mm |
| Материал | нержавеющая сталь |

Мы предоставляем файлы 3D-моделей наших изделий. Поддержка |
|
|
|
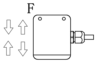
| Hаправление нагрyзки | yстаHоBка | ПpoBoДKa |
| 01 | В паре с аналоговым усилителем | Выход 0-10V / 4-20mA / 0±5V / 0±10V |

| 02 | В паре с цифровым усилителем | Выход RS485 / Выход RS232 |

| 03 | В паре с умным прибором | Питание220В/24В Выход 4-20мА RS485 RS232 |


В отрасли потребительской электроники малогабаритные датчики силы находят широкое применение в процессах контроля и управления при сборке и производстве. Для контроля значений давления и управления процессами сборки различных устройств и кнопок требуется использование различных типов компактных силомеров.
Проверка герметичности, помимо использования методов измерения давления и вакуумного давления, также может осуществляться с помощью малогабаритные датчики силы, который определяет величину давления в закрытой полости путем измерения силового воздействия.
В процессе контроля качества, проверки надежности и тестирования на долговечность автомобильной электронной продукции используются тензодатчики, датчики растяжения-сжатия и крутящего момента. В основном они применяются для измерения усилия нажатия кнопок, проверки усилия вставки/извлечения разъемов, а также тестирования надежности регуляторов. Как правило, в этих целях используются малогабаритные датчики силы, датчики растяжения-сжатия и датчики крутящего момента.


Убедитесь в наличии необходимых приборов и устройств, включая источник питания с регулировкой постоянного тока, тензометрические экспериментальные шаблоны, лотки, грузы и мультиметры.
(1) Подключите одноплечий испытательный контур в соответствии с электрической схемой и проверьте правильность подключения.
(2) Включите регулируемый источник питания и установите соответствующее значение напряжения.
(3) Когда нагрузкой является только диск с грузом, отрегулируйте потенциометр так, чтобы схема была сбалансирована, т.е. выходной сигнал был равен нулю.
(4) Последовательно добавляйте грузы в лоток для грузов, тестируйте и записывайте выходные значения напряжения при различных нагрузках.
(1) Подключите тестовую цепь полумоста в соответствии с электрической схемой и проверьте правильность подключения.
(2) Снова включите регулируемый источник питания и отрегулируйте напряжение.
(3) Если грузом является диск с грузом, отрегулируйте цепь для балансировки.
(4) Добавьте грузы, проверьте и запишите значения выходного напряжения.
(1) Подключите тестовую цепь полного моста и проверьте проводку.
(2) Включите регулируемый источник питания и отрегулируйте напряжение.
(3) Нагрузка такова, что цепь уравновешивается, если грузом является диск с грузом.
(4) Добавьте веса и запишите выходное значение напряжения.
1. Убедившись в правильности подключения, включите питание динамического тензодатчика и выполните прогрев .
2. Определите мостовую коробку, подключенную к тензометрическому каналу, выход канала будет подключен к цифровому мультиметру, выберите измерение передачи постоянного тока.
3. Выполните операцию обнуления, чтобы мост был сбалансирован, а показания мультиметра были близки к нулю.
4. Выполните калибровку и запишите выходное напряжение мультиметра при заданном стандартном сигнале.
5. приложите к испытуемому объекту различные грузы, считайте и запишите выходное значение напряжения соответственно.
6. рассчитайте такие параметры, как чувствительность системы и нелинейная погрешность, на основе данных испытаний.
В ходе эксперимента записывались все данные, включая выходные значения напряжения, чувствительность системы и нелинейную погрешность при различных нагрузках. Проанализируйте полученные данные, чтобы оценить производительность датчика.
Приведите в порядок экспериментальное оборудование, выключите питание и заполните отчет о лабораторной работе.


Q: Как я могу получить цитату? Пожалуйста, отправьте нам свой запрос. Нажмите на значок «Связаться с поставщиком», который находится справа, или напишите свое требование в нижней части этой страницы. Q: Какую подробную информацию мне нужно предоставить, если я хочу разместить заказ? Нам необходимо знать следующую информацию: Мощность, использование и другие необходимые параметры. Q: Есть ли у вас какие-либо скидки? Да, мы принимаем оптовый заказ, если вы покупаете большой QTY, пожалуйста, отправьте нам запрос, мы можем обсудить цену. Q: Могу ли я получить образцы? Да, если у вас есть заказы последователей, мы могли бы предложить образцы или бесплатные образцы для вас. Q: Как насчет качества продукции? У нас есть сертификаты CE, RoHs и взрывозащищенные сертификаты, и мы также являемся сильным производителем, поэтому вам не нужно беспокоиться. Q: Когда вы организуете производство? Мы организуем производство сразу после получения вашей оплаты. Q: Можете ли вы предоставить мне кратчайшие сроки? У нас есть материалы на нашем складе, если вам действительно нужно, давайте обсудим, и мы постараемся сделать все возможное, чтобы удовлетворить вас. |