FA613
FIBOS
200/500N.m
±0.2%F.S
Корпус: Алюминий; Ось: 17-4PH
≤8000 об / мин
RS485 / ± 10 В / ±5 В / 0-10 В / 0-5 В / 5-15 кГц
| штат: | |
|---|---|
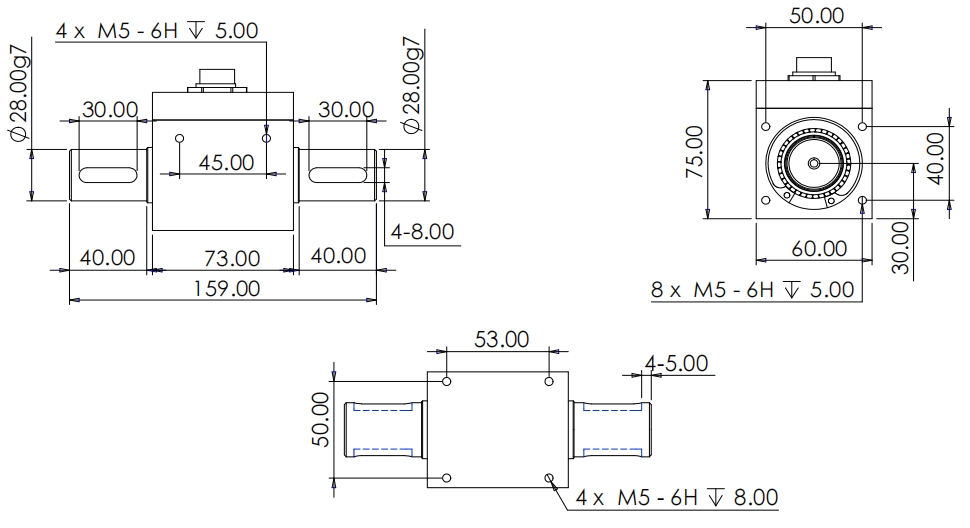
Бесконтактный динамический датчик крутящего момента FA613.pdfПараметр | Техника |
Номинальный крутящий момент | 200/500N.m |
Диапазон скоростей | ≤8000rpm |
Сигнал крутящего момента | RS485/±10V/±5V/ 0-10V/0-5V/5-15KHz |
Сигнал скорости | RS485/60pulse |
Точность | ±0.2%F.S |
Перегрузочная способность | 150% |
Частотная характеристика | 1ms |
Рабочая температура | -20~80℃ |
Тамп. эффект на нуле | 0.15%F.S./10℃ |
Влияние температуры на чувствительн ость | 0.15%F.S./10℃ |
Источник питания | 24VDC±15% |
Материал | Корпус: Алюминий;Ось: 17-4PH |
Размер кабеля | Φ6x3000 мм |

Мы предоставляем файлы 3D-моделей наших изделий. Поддержка |
|
|
| Hаправление нагрyзки | yстаHоBка |
| 01 | В паре с аналоговым усилителем | Выход 0-10V / 4-20mA / 0±5V / 0±10V |

| 02 | В паре с цифровым усилителем | Выход RS485 / Выход RS232 |

| 03 | В паре с умным прибором | Питание220В/24В Выход 4-20мА RS485 RS232 |


В отрасли потребительской электроники малогабаритные датчики силы находят широкое применение в процессах контроля и управления при сборке и производстве. Для контроля значений давления и управления процессами сборки различных устройств и кнопок требуется использование различных типов компактных силомеров.
Проверка герметичности, помимо использования методов измерения давления и вакуумного давления, также может осуществляться с помощью малогабаритные датчики силы, который определяет величину давления в закрытой полости путем измерения силового воздействия.
В процессе контроля качества, проверки надежности и тестирования на долговечность автомобильной электронной продукции используются тензодатчики, датчики растяжения-сжатия и крутящего момента. В основном они применяются для измерения усилия нажатия кнопок, проверки усилия вставки/извлечения разъемов, а также тестирования надежности регуляторов. Как правило, в этих целях используются малогабаритные датчики силы, датчики растяжения-сжатия и датчики крутящего момента.


Убедитесь в наличии необходимых приборов и устройств, включая источник питания с регулировкой постоянного тока, тензометрические экспериментальные шаблоны, лотки, грузы и мультиметры.
(1) Подключите одноплечий испытательный контур в соответствии с электрической схемой и проверьте правильность подключения.
(2) Включите регулируемый источник питания и установите соответствующее значение напряжения.
(3) Когда нагрузкой является только диск с грузом, отрегулируйте потенциометр так, чтобы схема была сбалансирована, т.е. выходной сигнал был равен нулю.
(4) Последовательно добавляйте грузы в лоток для грузов, тестируйте и записывайте выходные значения напряжения при различных нагрузках.
(1) Подключите тестовую цепь полумоста в соответствии с электрической схемой и проверьте правильность подключения.
(2) Снова включите регулируемый источник питания и отрегулируйте напряжение.
(3) Если грузом является диск с грузом, отрегулируйте цепь для балансировки.
(4) Добавьте грузы, проверьте и запишите значения выходного напряжения.
(1) Подключите тестовую цепь полного моста и проверьте проводку.
(2) Включите регулируемый источник питания и отрегулируйте напряжение.
(3) Нагрузка такова, что цепь уравновешивается, если грузом является диск с грузом.
(4) Добавьте веса и запишите выходное значение напряжения.
1. Убедившись в правильности подключения, включите питание динамического тензодатчика и выполните прогрев .
2. Определите мостовую коробку, подключенную к тензометрическому каналу, выход канала будет подключен к цифровому мультиметру, выберите измерение передачи постоянного тока.
3. Выполните операцию обнуления, чтобы мост был сбалансирован, а показания мультиметра были близки к нулю.
4. Выполните калибровку и запишите выходное напряжение мультиметра при заданном стандартном сигнале.
5. приложите к испытуемому объекту различные грузы, считайте и запишите выходное значение напряжения соответственно.
6. рассчитайте такие параметры, как чувствительность системы и нелинейная погрешность, на основе данных испытаний.
В ходе эксперимента записывались все данные, включая выходные значения напряжения, чувствительность системы и нелинейную погрешность при различных нагрузках. Проанализируйте полученные данные, чтобы оценить производительность датчика.
Приведите в порядок экспериментальное оборудование, выключите питание и заполните отчет о лабораторной работе.


Q: Как я могу получить цитату? Пожалуйста, отправьте нам свой запрос. Нажмите на значок «Связаться с поставщиком», который находится справа, или напишите свое требование в нижней части этой страницы. Q: Какую подробную информацию мне нужно предоставить, если я хочу разместить заказ? Нам необходимо знать следующую информацию: Мощность, использование и другие необходимые параметры. Q: Есть ли у вас какие-либо скидки? Да, мы принимаем оптовый заказ, если вы покупаете большой QTY, пожалуйста, отправьте нам запрос, мы можем обсудить цену. Q: Могу ли я получить образцы? Да, если у вас есть заказы последователей, мы могли бы предложить образцы или бесплатные образцы для вас. Q: Как насчет качества продукции? У нас есть сертификаты CE, RoHs и взрывозащищенные сертификаты, и мы также являемся сильным производителем, поэтому вам не нужно беспокоиться. Q: Когда вы организуете производство? Мы организуем производство сразу после получения вашей оплаты. Q: Можете ли вы предоставить мне кратчайшие сроки? У нас есть материалы на нашем складе, если вам действительно нужно, давайте обсудим, и мы постараемся сделать все возможное, чтобы удовлетворить вас. |