20+ ЛЕТ ОПЫТ
● OEM&ODM     ● CE/RoHS/ISO9001

loading

Сильфонные Датчики Нагрузки FA510

Тензодатчик может обеспечить очень высокую точность измерений, что очень важно для приложений, где требуется точный контроль. Адаптируемость: различные типы тензодатчиков, включая электронные весы (например, электронные автомобильные весы, электронные платформенные весы и т. д.), но не ограничиваясь ими.
  • FA510

  • FIBOS

  • 5,10,20,50,100,200,500kg

  • 0.018%F.S.

  • 2.0±0.2%mV/V

  • ±0.02mV/V

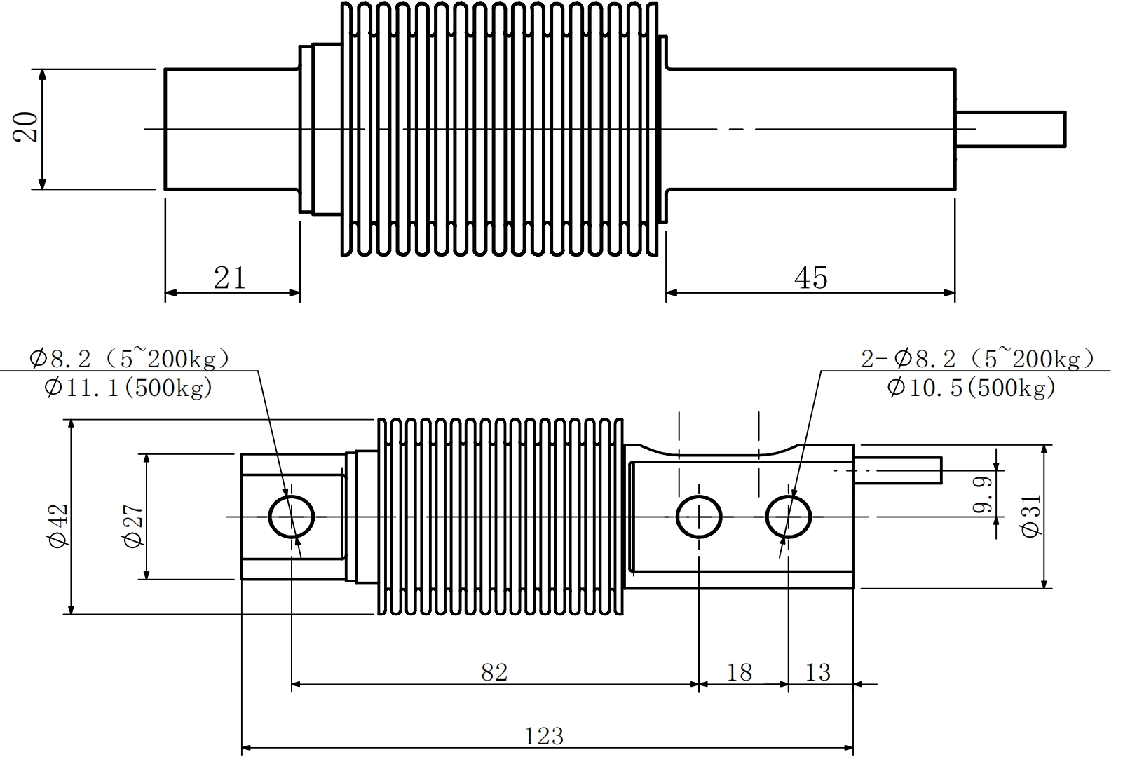
  • L=123mm;φ42mm

  • Нержавеющая сталь

штат:
facebook sharing button
twitter sharing button
line sharing button
wechat sharing button
linkedin sharing button
pinterest sharing button
whatsapp sharing button
kakao sharing button
snapchat sharing button
telegram sharing button
sharethis sharing button

FA510 Сильфонные тензодатчики.pdf

Характеристики сильфонного тензодатчика FA510

  • высокая точность: тензодатчики могут обеспечить очень высокую точность измерений, что очень важно для приложений, требующих точного контроля.

  • стабильность: благодаря превосходной конструкции и процессу производства тензодатчики обладают отличной долговременной стабильностью и не подвержены влиянию внешних условий.

  • сильная защита от помех: тензодатчик обладает сильной способностью подавлять внешние электромагнитные помехи, даже в сложных условиях может поддерживать точность измерений.

  • Материал из нержавеющей стали с высокой стабильностью

  • В основном используется в фасовочных весах, бункерных весах, различных промышленных системах взвешивания и т. д.

Технические параметры продукта

Параметр

Техника

Вместимость

5,10,20,50,100,200,500kg

ЧувствительHоCTь

2.0±0.2%mV/V

Hулевой баланс

±0.02mV/V

Ползучесть(30мин)

0.0166%F.S

HелинейHоCTь

0.018%F.S.

Гистерезис

0.017%F.S.

Повторяемость

0.018%F.S.

Входной импеданс

400±10Ω

Выходной импеданс

350±5Ω

Влияние температуры на чувствительность

0.008%F.S./10℃

Влияние температуры на ноль

0.0125%F.S./10℃

Сопротивление изоляции

≥5000MΩ/100V(DC)

Рекомендуемое возбуждение

5~15V

Макс. Возбуждение

20V

Компенсированная температура Диапазон

-10~4℃

Рабочая температура Диапазон

-30~70℃

Безопасная перегрузка

150%F.S.

Предельная перегрузка

200%F.S.

Размер кабеля

φ5.4x3000mm

Материал

Нержавеющая сталь

Монтажные размеры для сильфонного тензодатчика FA510

Сильфонные тензодатчики

Мы предоставляем файлы 3D-моделей наших изделий.


Поддержка CADsw UG Pro-e для облегчения проектирования заготовок

FA510 Установка силы сильфонного тензодатчика

Сильфонные тензодатчики 2

Сильфонные тензодатчикиFA510

Сильфонные тензодатчики2

Hаправление нагрyзки  yстаHоBка ПpoBoДKa

Программа согласования датчиков

01 В паре с аналоговым усилителем Выход 0-10V / 4-20mA / 0±5V / 0±10V

Аналоговый выход усилителя

02 В паре с цифровым усилителем Выход RS485 / Выход RS232

Цифровые выходы усилителя

03 В паре с умным прибором Питание220В/24В Выход 4-20мА RS485 RS232

Отображение приборов с помощью датчиков

Сильфонные Датчики Нагрузки Отрасли применения

Применение-малогабаритных-датчиков-силы-в-прессовой-сборке


  • В отрасли потребительской электроники малогабаритные датчики силы находят широкое применение в процессах контроля и управления при сборке и производстве. Для контроля значений давления и управления процессами сборки различных устройств и кнопок требуется использование различных типов компактных силомеров.

  • Проверка герметичности, помимо использования методов измерения давления и вакуумного давления, также может осуществляться с помощью малогабаритные датчики силы, который определяет величину давления в закрытой полости путем измерения силового воздействия.

  • В процессе контроля качества, проверки надежности и тестирования на долговечность автомобильной электронной продукции используются тензодатчики, датчики растяжения-сжатия и крутящего момента. В основном они применяются для измерения усилия нажатия кнопок, проверки усилия вставки/извлечения разъемов, а также тестирования надежности регуляторов. Как правило, в этих целях используются малогабаритные датчики силы, датчики растяжения-сжатия и датчики крутящего момента.

Процесс производства сенсоров

  • Производители прочных датчиков, специализирующиеся на производстве датчиков


Процесс производства сенсоров

Процесс-производства-сенсоров-2

Процедура испытания Сильфонные Датчики Нагрузки

Процедура испытания тензопреобразователя сопротивления выглядит следующим образом:

I. Экспериментальная подготовка

Убедитесь в наличии необходимых приборов и устройств, включая источник питания с регулировкой постоянного тока, тензометрические экспериментальные шаблоны, лотки, грузы и мультиметры.

II. Испытания характеристик тензометрических датчиков сопротивления

1. Одноплечий испытательный контур:

(1) Подключите одноплечий испытательный контур в соответствии с электрической схемой и проверьте правильность подключения.

(2) Включите регулируемый источник питания и установите соответствующее значение напряжения.

(3) Когда нагрузкой является только диск с грузом, отрегулируйте потенциометр так, чтобы схема была сбалансирована, т.е. выходной сигнал был равен нулю.

(4) Последовательно добавляйте грузы в лоток для грузов, тестируйте и записывайте выходные значения напряжения при различных нагрузках.

2. Испытательная схема полумоста:

(1) Подключите тестовую цепь полумоста в соответствии с электрической схемой и проверьте правильность подключения.

(2) Снова включите регулируемый источник питания и отрегулируйте напряжение.

(3) Если грузом является диск с грузом, отрегулируйте цепь для балансировки.

(4) Добавьте грузы, проверьте и запишите значения выходного напряжения.

3. Полная мостовая испытательная схема:

(1) Подключите тестовую цепь полного моста и проверьте проводку.

(2) Включите регулируемый источник питания и отрегулируйте напряжение.

(3) Нагрузка такова, что цепь уравновешивается, если грузом является диск с грузом.

(4) Добавьте веса и запишите выходное значение напряжения.

III. Испытание на растяжение

1. Убедившись в правильности подключения, включите питание динамического тензодатчика и выполните прогрев .

2. Определите мостовую коробку, подключенную к тензометрическому каналу, выход канала будет подключен к цифровому мультиметру, выберите измерение передачи постоянного тока.

3. Выполните операцию обнуления, чтобы мост был сбалансирован, а показания мультиметра были близки к нулю.

4. Выполните калибровку и запишите выходное напряжение мультиметра при заданном стандартном сигнале.

5. приложите к испытуемому объекту различные грузы, считайте и запишите выходное значение напряжения соответственно.

6. рассчитайте такие параметры, как чувствительность системы и нелинейная погрешность, на основе данных испытаний.

IV. Регистрация и анализ данных

В ходе эксперимента записывались все данные, включая выходные значения напряжения, чувствительность системы и нелинейную погрешность при различных нагрузках. Проанализируйте полученные данные, чтобы оценить производительность датчика.

V. Заключение эксперимента

Приведите в порядок экспериментальное оборудование, выключите питание и заполните отчет о лабораторной работе.

Сильфонные Датчики Нагрузки аккредитация


Сертификация миниатюрных датчиков силы 1

Сертификация миниатюрных датчиков силы 2

Общие проблемы с датчиками силы 

Q: Как я могу получить цитату?

Пожалуйста, отправьте нам свой запрос. 

Нажмите на значок «Связаться с поставщиком», который находится справа, или напишите свое требование в нижней части этой страницы.


Q: Какую подробную информацию мне нужно предоставить, если я хочу разместить заказ? 

Нам необходимо знать следующую информацию: Мощность, использование и другие необходимые параметры.


Q: Есть ли у вас какие-либо скидки?

Да, мы принимаем оптовый заказ, если вы покупаете большой QTY, пожалуйста, отправьте нам запрос, мы можем обсудить цену.


Q: Могу ли я получить образцы?

Да, если у вас есть заказы последователей, мы могли бы предложить образцы или бесплатные образцы для вас.


Q: Как насчет качества продукции?

У нас есть сертификаты CE, RoHs и взрывозащищенные сертификаты, и мы также являемся сильным производителем, поэтому вам не нужно беспокоиться.


Q: Когда вы организуете производство?

Мы организуем производство сразу после получения вашей оплаты.


Q: Можете ли вы предоставить мне кратчайшие сроки?

У нас есть материалы на нашем складе, если вам действительно нужно, давайте обсудим, и мы постараемся сделать все возможное, чтобы удовлетворить вас.



предыдущий: 
следующий: 
Продукты
Почему FIBOS
Компания
Электронная почта:info@fibossensor.com
Тел.: 8618921011531
Адрес: Чанчжоу, Национальная зона высоких технологий Уцзинь, улица Синьхуэй, 12 - 1
© 2025 FIBOS Измерительные Технологии (Чанчжоу) Лтд. Все права защищены.