20+ ЛЕТ ОПЫТ
● OEM&ODM     ● CE/RoHS/ISO9001

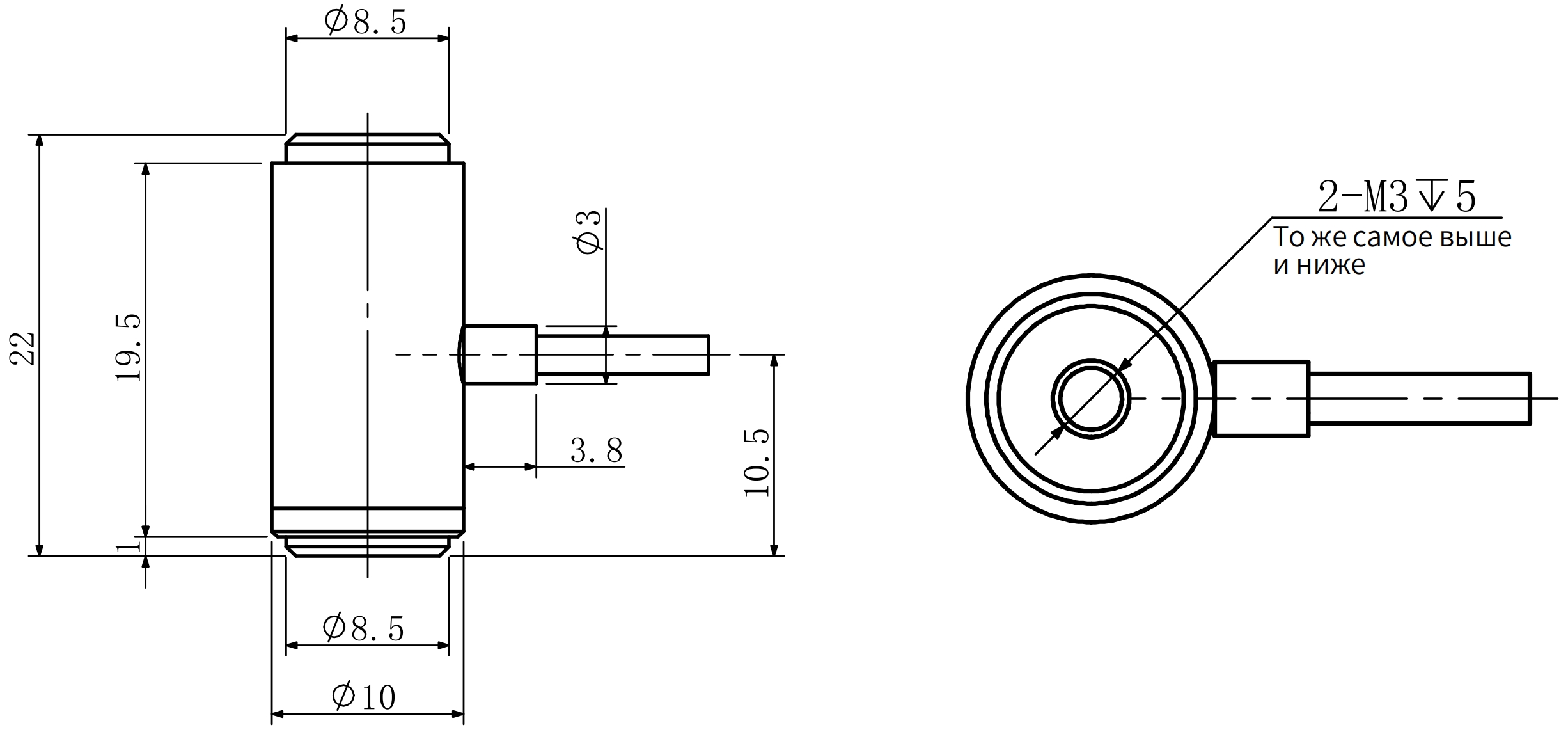
Тензодатчик колонного типа FA401

Тензодатчик колонного типа FA401 из нержавеющей стали подходит для использования в автомобильной прессовой оснастке, автоматизированной сборке, тестировании продукции 3C, робототехнике и многих других отраслях промышленности!
  • FA401

  • 10,20,50,100,200N

  • ≤0.1%F.S

  • 2.0±10%mV/V

  • ±0.05%mV/V

  • 22mmx10mmx10mm

  • Нержавеющая сталь

штат:
facebook sharing button
twitter sharing button
line sharing button
wechat sharing button
linkedin sharing button
pinterest sharing button
whatsapp sharing button
kakao sharing button
snapchat sharing button
telegram sharing button
sharethis sharing button

Тензодатчик колонного типа FA401.pdf

Тензодатчик колонного типа FA401 из нержавеющей стали

  • Небольшая высота, малая деформация, компактные размеры

  • Малогабаритный датчик силы из нержавеющей стали

  • Высокая частота динамического отклика

  • Высокотемпературные характеристики могут быть адаптированы для литья под давлением, прессования и других производственных процессов

  • Подходит для автомобильных пресс-фитингов, автоматизированной сборки, тестирования продуктов 3C, сборки новых энергетических продуктов, сборки роботов и других промышленных испытаний и других областей

Тензодатчик колонного типа  Технические параметры продукта

Параметр

Техника

Вместимость

10,20,50,100,200N

ЧувствительHоCTь

2.0±10%mV/V

Hулевой баланс

±0.05%F.S.

Гистерезис

≤0.01%F.S.

Повторяемость

≤0.01%F.S.

Входной импеданс

650/350±5Ω

Выходной импеданс

350/350±5Ω

Влияние температуры на чувствительность

0.01%F.S./10℃

Влияние температуры на ноль

0.01%F.S./10℃

Сопротивление изоляции

≥5000MΩ/100V(DC)

Рекомендуемое возбуждение

5V

Макс. Возбуждение

15V

Компенсированная температура Диапазон

-10~40℃

Рабочая температура Диапазон

-20~60℃

Безопасная перегрузка

150%F.S.

Предельная перегрузка

200%F.S.

Размер кабеля

φ2x3000mm

Материал

нержавеющая сталь

Тензодатчик колонного типа FA401

Мини-датчик силы колонного типа (2)

Мы предоставляем файлы 3D-моделей наших изделий.


Поддержка CADsw UG Pro-e для облегчения проектирования заготовок

Тензодатчик колонного типа FA401

Мини-датчик силы колонного типа (3)

Мини-датчик силы колонного типа (1)

Мини-датчик силы колонного типа (4)

Hаправление нагрyзки  yстаHоBка ПpoBoДKa

Программа согласования Малогабаритный Датчик Силы

01 В паре с аналоговым усилителем Выход 0-10V / 4-20mA / 0±5V / 0±10V

Аналоговый выход усилителя

02 В паре с цифровым усилителем Выход RS485 / Выход RS232

Цифровые выходы усилителя

03 В паре с умным прибором Питание220В/24В Выход 4-20мА RS485 RS232

Отображение приборов с помощью датчиков

Малогабаритный Датчик Силы Отрасли применения

Применение-малогабаритных-датчиков-силы-в-прессовой-сборке


  • В отрасли потребительской электроники малогабаритные датчики силы находят широкое применение в процессах контроля и управления при сборке и производстве. Для контроля значений давления и управления процессами сборки различных устройств и кнопок требуется использование различных типов компактных силомеров.

  • Проверка герметичности, помимо использования методов измерения давления и вакуумного давления, также может осуществляться с помощью малогабаритные датчики силы, который определяет величину давления в закрытой полости путем измерения силового воздействия.

  • В процессе контроля качества, проверки надежности и тестирования на долговечность автомобильной электронной продукции используются тензодатчики, датчики растяжения-сжатия и крутящего момента. В основном они применяются для измерения усилия нажатия кнопок, проверки усилия вставки/извлечения разъемов, а также тестирования надежности регуляторов. Как правило, в этих целях используются малогабаритные датчики силы, датчики растяжения-сжатия и датчики крутящего момента.

Процесс производства Малогабаритный Датчик Силы


  • Производители прочных датчиков, специализирующиеся на производстве датчиков


Процесс производства сенсоров

Процесс-производства-сенсоров-2

Процедура испытания Малогабаритный Датчик Силы

Процедура испытания тензопреобразователя сопротивления выглядит следующим образом:

I. Экспериментальная подготовка

Убедитесь в наличии необходимых приборов и устройств, включая источник питания с регулировкой постоянного тока, тензометрические экспериментальные шаблоны, лотки, грузы и мультиметры.

II. Испытания характеристик тензометрических датчиков сопротивления

1. Одноплечий испытательный контур:

(1) Подключите одноплечий испытательный контур в соответствии с электрической схемой и проверьте правильность подключения.

(2) Включите регулируемый источник питания и установите соответствующее значение напряжения.

(3) Когда нагрузкой является только диск с грузом, отрегулируйте потенциометр так, чтобы схема была сбалансирована, т.е. выходной сигнал был равен нулю.

(4) Последовательно добавляйте грузы в лоток для грузов, тестируйте и записывайте выходные значения напряжения при различных нагрузках.

2. Испытательная схема полумоста:

(1) Подключите тестовую цепь полумоста в соответствии с электрической схемой и проверьте правильность подключения.

(2) Снова включите регулируемый источник питания и отрегулируйте напряжение.

(3) Если грузом является диск с грузом, отрегулируйте цепь для балансировки.

(4) Добавьте грузы, проверьте и запишите значения выходного напряжения.

3. Полная мостовая испытательная схема:

(1) Подключите тестовую цепь полного моста и проверьте проводку.

(2) Включите регулируемый источник питания и отрегулируйте напряжение.

(3) Нагрузка такова, что цепь уравновешивается, если грузом является диск с грузом.

(4) Добавьте веса и запишите выходное значение напряжения.

III. Испытание на растяжение

1. Убедившись в правильности подключения, включите питание динамического тензодатчика и выполните прогрев .

2. Определите мостовую коробку, подключенную к тензометрическому каналу, выход канала будет подключен к цифровому мультиметру, выберите измерение передачи постоянного тока.

3. Выполните операцию обнуления, чтобы мост был сбалансирован, а показания мультиметра были близки к нулю.

4. Выполните калибровку и запишите выходное напряжение мультиметра при заданном стандартном сигнале.

5. приложите к испытуемому объекту различные грузы, считайте и запишите выходное значение напряжения соответственно.

6. рассчитайте такие параметры, как чувствительность системы и нелинейная погрешность, на основе данных испытаний.

IV. Регистрация и анализ данных

В ходе эксперимента записывались все данные, включая выходные значения напряжения, чувствительность системы и нелинейную погрешность при различных нагрузках. Проанализируйте полученные данные, чтобы оценить производительность датчика.

V. Заключение эксперимента

Приведите в порядок экспериментальное оборудование, выключите питание и заполните отчет о лабораторной работе.

Малогабаритный Датчик Силы аккредитация



Сертификация миниатюрных датчиков силы 1

Сертификация миниатюрных датчиков силы 2

Общие проблемы с датчиками силы 

Q: Как я могу получить цитату?

Пожалуйста, отправьте нам свой запрос. 

Нажмите на значок «Связаться с поставщиком», который находится справа, или напишите свое требование в нижней части этой страницы.


Q: Какую подробную информацию мне нужно предоставить, если я хочу разместить заказ? 

Нам необходимо знать следующую информацию: Мощность, использование и другие необходимые параметры.


Q: Есть ли у вас какие-либо скидки?

Да, мы принимаем оптовый заказ, если вы покупаете большой QTY, пожалуйста, отправьте нам запрос, мы можем обсудить цену.


Q: Могу ли я получить образцы?

Да, если у вас есть заказы последователей, мы могли бы предложить образцы или бесплатные образцы для вас.


Q: Как насчет качества продукции?

У нас есть сертификаты CE, RoHs и взрывозащищенные сертификаты, и мы также являемся сильным производителем, поэтому вам не нужно беспокоиться.


Q: Когда вы организуете производство?

Мы организуем производство сразу после получения вашей оплаты.


Q: Можете ли вы предоставить мне кратчайшие сроки?

У нас есть материалы на нашем складе, если вам действительно нужно, давайте обсудим, и мы постараемся сделать все возможное, чтобы удовлетворить вас.


предыдущий: 
следующий: 
Продукты
Почему FIBOS
Компания
Электронная почта:info@fibossensor.com
Тел.: 8618921011531
Адрес: Чанчжоу, Национальная зона высоких технологий Уцзинь, улица Синьхуэй, 12 - 1
© 2025 FIBOS Измерительные Технологии (Чанчжоу) Лтд. Все права защищены.